Многоступенчатая система
Система с приборами воздухоудаления
Чтобы избежать проблем образования воздушных пробок, еще на этапе проектирования автономной системы отопления, нужно предусмотреть один очень важный момент. Он основывается на многоступенчатой системе отвода воздуха из каждой группы приборов отопления отдельно. При этом для них необходимо использовать конкретные виды воздухоотводчиков в нескольких установочных местах. Например:
- Для стравливания воздуха из теплообменника котла устанавливают автоматический воздухоотводчик непосредственно на котле.
- Для каждого коллектора устанавливают свой местный воздухоотвод.
- Каждый радиатор обустраивают своим ручным краном Маевского.
- Для стояков нужно применять специальные воздухоотводы, которые необходимо планировать для установки в самых высоких точках.
Конструкция, назначение и принцип работы гидравлической стрелки
Гидрострелка для отопления состоит из бронзового или стального корпуса с двумя патрубками для подключения к контуру котла (патрубок для подачи + патрубок для обратки), а также нескольких патрубков (как правило 2) для подключения контуров потребителей тепла. В верхней части гидравлического разделителя через шаровой кран или отсекающий клапан монтируется автоматический воздухоотводчик. в нижней части дренажный (сливной) кран. Внутри корпуса заводских гидрострелок часто устанавливается специальная сетка, позволяющая направить мелкие пузырьки воздуха в воздухоотводчик.

Конструкция модели Valtec VT. VAR 00.
Гидравлическая стрелка для отопления выполняет следующие функции:
- Поддержание гидравлического баланса системы. Включение/отключение одного из контуров не влияет на гидравлические характеристики остальных контуров;
- Обеспечение безопасности чугунных теплообменников котлов. Применение гидрострелки позволяет обезопасить чугунные теплообменники от резких перепадов температур (например при проведении ремонтных работ, когда отключается циркуляционный насос, либо при первом включении котла). Как известно, резкое изменение температуры теплоносителя негативно сказывается на чугунных теплообменниках;
- Воздухоотводчик. Гидрострелка для отопления выполняет функции по отводу воздуха из отопительной системы. Для этого в верхней части устройства располагается патрубок для монтажа автоматического воздухоотводчика;
- Наполнение или слив теплоносителя. Большинство как заводских, так и самостоятельно изготовленных гидравлических стрелок оборудуются сливными кранами, через которые возможно производить наполнение или слив теплоносителя из системы;
- Очистка системы от механических загрязнений. Низкая скорость потока теплоносителя в гидравлическом разделителе делает его идеальным устройством для сбора различных механических загрязнений (окалина, накипь, ржавчина, песок и др. шлам). Циркулирующие по системе отопления твердые частицы постепенно скапливаются в нижней части устройства, после чего их можно удалить через сливной кран. Некоторые модели гидрострелок могут дополнительно оборудоваться магнитными уловителями, которые притягивают металлические частицы.
Схема системы отопления с использованием гидравлического разделителя.
Совет! Магнитный уловитель рекомендуется устанавливать до заполнения системы теплоносителем, в противном случае при монтаже уловителя необходимо будет сливать воду из гидравлического разделителя.
Процесс удаления механических частиц через сливной кран:
- Отключаем котел и циркуляционные насосы;
- После того, как теплоноситель остыл, перекрываем участок трубопровода, где расположен сливной кран;
- На сливной кран одеваем шланг подходящего диаметра, либо, если позволяет пространство, подставляем ведро или любую другую емкость;
- Открываем кран, сливаем теплоноситель до тех пор, пока не пойдет чистая вода без содержания загрязнений;
- Закрываем сливной кран, после чего открываем перекрытый участок трубопровода;
- Осуществляем подписку системы и запускаем оборудование.
Для каких целей в систему отопления дома встраивают сепаратор шлама и сепараторы-деаэраторы

нарушения работы отопления вызванных насыщением теплоносителя воздухом и шламом довольно много. Но чаще всего видимыми признаками нарушения выступают:
- Нарушение теплоотдачи батареи отопления – это может быть завоздушивание или создание воздушной пробки или оседание воздушных пузырьков на стенках радиатора. Такая воздушная прослойка мешает нормальному теплообмену и снижает эффективность работы прибора;
- Мелкие пузырьки, как ни странно, очень негативно влияют на работу насосного оборудования. Представить себе как воздух мешает работать насосу нетрудно. Крыльчатка насоса постоянно находится в жидкости, вращаясь, создает поток, который дальше проталкивается по трубам. Если жидкость однородна, то электромотор работает стабильно с постоянной нагрузкой. Если в жидкости получается большое количество пузырьков, то и плотность будет неоднородной, насос будет работать рывками, что приведет к износу электромотора.
- Пузырьки содержат не атмосферный воздух, большинство из них наполнены кислородом. И если человек без него не может обойтись, то резиновые изделия, пластик и уплотнители активно разрушаются ним. Также пагубно влияет кислород и на металл – в процессе реакции образуется зона коррозии, что может привести к нарушению герметичности системы;
- Вода, подающаяся в систему отопления, не всегда проходит подготовку и обезжелезивание. Часто систему заполняют из местных источников, где вод может содержать как большие нерастворимые частицы, такие как вкрапления глины или песка, так и растворимые соли. Часто именно растворенные соли при нагревании образуют мельчайшие частички кальция и железа. Именно этот мусор и становится причиной засорения батарей и трубопроводов.
Установленный в систему сепаратор позволяет отделить эти вкрапления от жидкости и тем самым обеспечить безаварийную работу оборудования.
Гидрострелка для отопления принцип работы, назначение и расчеты
В традиционной системе отопления без использования специальных узлов могут присутствовать определенные недостатки. Ее функционирование без важных доработок и регулировок станет разбалансированным. Удалить дисбаланс помогает правильно смонтированная гидрострелка для отопления
Важно снизить с помощью этого узла уровень теплового колебания внутри котла и создать слаженную работу циркуляционных насосов

В текущих условиях востребованность гидравлической стрелки проявляется в большинстве отопительных систем. Функционально она является компенсационной камерой, обеспечивающей связь между независимыми отопительными контурами.
- Необходимость в оборудовании гидроузла
- Как выглядит гидравлический разделитель
- Принцип работы узла в системе
- Дополнительные функции
- Проведение расчетов
- Особые условия
- Как правильно совместить коллектор с гидрострелкой
Методы удаления воздуха
Существуют системы отопления с принудительной и естественной циркуляцией теплоносителя. В первом случае жидкость течёт с помощью циркуляционного насоса, а во втором благодаря определённому наклону труб и давлению в них.
Системы с естественной циркуляцией

Для вывода воздуха из системы этого типа используется расширительный бачок. Он устанавливается в наивысшей её точке. Большая часть воздуха самостоятельно выводится через него при нагреве теплоносителя. Если же воздушные пробки всё равно остались, то многие специалисты рекомендуют увеличить количество жидкости в системе, открыв при этом воздухоотводчики. Тем самым теплоноситель сам вытеснит движением и давлением воздух из сети.
Системы с принудительной циркуляцией

В системах с циркуляционным насосом трубы и радиаторы расположены ровно и без уклона. Для вывода из них воздуха используются воздухоотводчики. Их всегда монтируют на перегибах и в наивысших её точках, так как именно там и происходит скопление газов.
Обратите внимание! Если с помощью воздухоотводчиков не удаётся выгнать воздух из системы, то необходимо слить весь теплоноситель и заново заполнить её. Заливать теплоноситель в систему нужно медленно, так как из-за быстрого наполнения образуются пузырьки с воздухом. Одновременно с этим нужно удалять воздух из радиаторов и других элементов
Чем протяжённее система, тем дольше её заполняют теплоносителем. Если к сети отопления подключен тёплый пол, то установка воздухоотводчиков обязательна, так как часто трубы расположены на разной высоте. Также нужно постоянно следить за количеством теплоносителя в системе, чтобы исключить возможность попадания в неё воздуха
Одновременно с этим нужно удалять воздух из радиаторов и других элементов. Чем протяжённее система, тем дольше её заполняют теплоносителем. Если к сети отопления подключен тёплый пол, то установка воздухоотводчиков обязательна, так как часто трубы расположены на разной высоте. Также нужно постоянно следить за количеством теплоносителя в системе, чтобы исключить возможность попадания в неё воздуха
Заливать теплоноситель в систему нужно медленно, так как из-за быстрого наполнения образуются пузырьки с воздухом. Одновременно с этим нужно удалять воздух из радиаторов и других элементов. Чем протяжённее система, тем дольше её заполняют теплоносителем. Если к сети отопления подключен тёплый пол, то установка воздухоотводчиков обязательна, так как часто трубы расположены на разной высоте. Также нужно постоянно следить за количеством теплоносителя в системе, чтобы исключить возможность попадания в неё воздуха.
Сепараторы для дегазации и удаления шлама
Рис.1 Сепаратор
Появившиеся в последние годы в РФ сепараторы начали производиться в Европе более 30 лет назад и стали стандартным элементом для дегазации и удаления шлама из систем отопления и водоснабжения. Кроме удаления пробок, сепараторы извлекают микропузырьки и частицы шлама из потока воды и объединяют в себе функции воздухоотводчиков, фильтров и деаэраторов. Сепараторы не требуют расходных материалов, энергии и сервисного обслуживания, работают несколько десятков лет, имеют простую и надежную конструкцию без движущихся частей.
Универсальный сепаратор представляет собой металлический цилиндр с воздухоотводчиком наверху, вентилем для сброса шлама внизу и неподвижным механическим сепарирующим элементом внутри (Рис.1). Элемент внутри сепаратора обеспечивает быструю транспортировку микропузырьков наверх и осаждение нерастворимых частиц внизу при прохождении потока воды через сепаратор. Автоматический поплавковый воздухоотводчик сепаратора выводит накапливающийся наверху воздух, а периодическое удаление шлама осуществляется вручную с помощью шарового вентиля внизу сепаратора. В обоих случаях система не разгерметизируется. При начальном заполнении системы водой большие воздушные пузыри быстро удаляются с помощью специального вентиля в корпусе воздухоотводчика. Сепараторы устанавливаются вертикально.
Сепараторы разных фирм, как правило, отличаются разным типом сепарирующих элементов. В сепараторах Пневматекс (Швейцария) в качестве такого элемента используются лепестковая спираль (спирали) с профилированной поверхностью из нержавеющей стали, установленная вертикально вдоль оси сепаратора ( Рис.1). Разными могут быть и механизмы извлечения газов и твердых частиц. Как правило, при этом используется гравитационный механизм осаждения частиц и возгонки пузырьков. Для усиления эффекта снижается скорость потока внутри сепаратора (увеличение поперечного сечения), производится ламинаризация потока. В некоторых моделях используется центробежный эффект при раскручивании потока внутри сепаратора. При использовании рабочих элементов с большой площадью включается механизм сорбции микропузырьков на поверхности с дальнейшим их слиянием в более крупные пузырьки и всплытием.

Диапазон применения сепараторов достаточно широк.
Например, промышленные сепараторы Пневматекс (типоразмеры DN 50 – 600 mm) способны обрабатывать потоки в диапазоне 5 – 2000 м 3 /ч. Корпуса промышленных сепараторов изготовляются из стали.
Латунные сепараторы для небольших объектов (типоразмеры DU 20 – 40 mm) обрабатывают потоки до 5 м 3 /ч. Все сепараторы из латуни собираются из базовых элементов и легко трансформируются.
Модификации
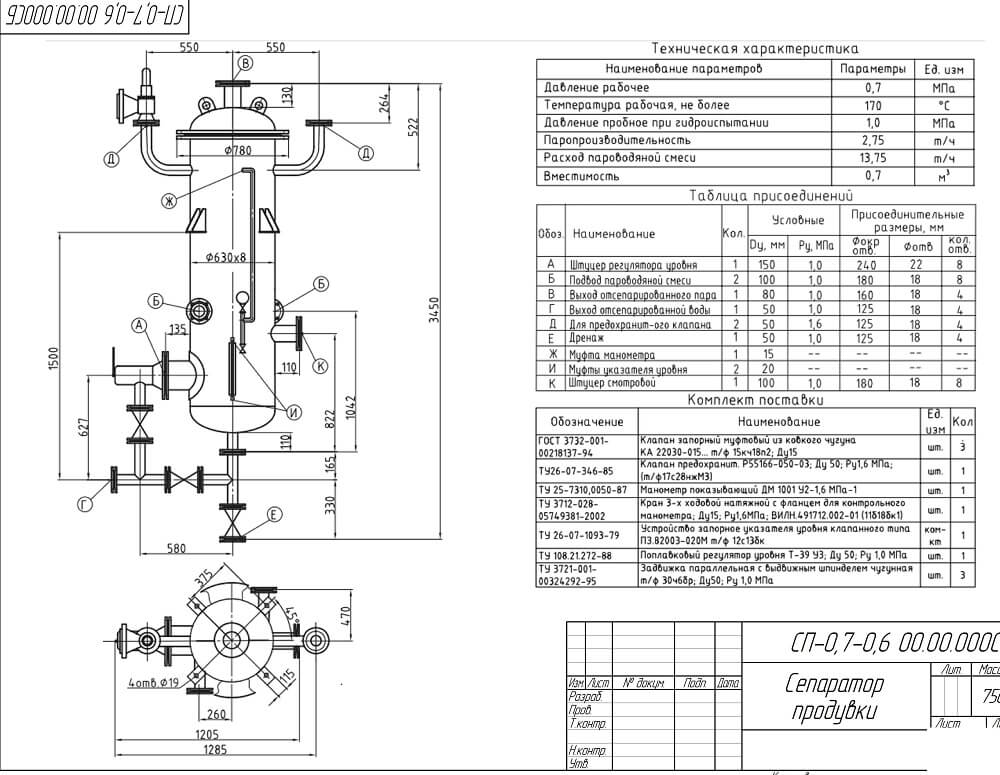
Серийные сепараторы непрерывной продувки в России выпускаются всеми котлостроительными заводами согласно ТУ 3113-017-00210714 от 2008 года. Размеры баков-сепараторов продувки находятся в пределах от 300 до 800 мм.
Они способны принять объем сбросной воды от 0.15 до 0.7 м3 и применяются для барабанного парового и прямоточного котла.

Наиболее популярные сепараторы непрерывной продувки:
- СНП-0.15, сепаратор непрерывной продувки Ду 300, допустимое давление 0.6 атм., температура 113 С, расход 1.0 т/час, емкость 0.15 м3;
- СНП-0.15, диаметр 300 мм, допустимое давление 8 атм., температура 175 С, расход 1.0 т/час, емкость 0.15 м3;
- СНП-0,15, диаметр 300 мм, допустимое давление 14 атм., температура 194 С, расход 1.0 т/час, емкость 0.15 м3;
- СП-0.28, диаметр 450 мм, допустимое давление 45 атм., температура 170 С, расход 0.7 т/час, 0.28 емкость м3;
- СП-0.7, диаметр 600 мм, допустимое давление 60 атм., температура 170 С, расход 2.75т/час, 0.7 емкость м3.
Данная модификация сепараторов вверху корпуса имеет сепарирующий механизм закрепленный болтами к монтажному кольцу. Он состоит из комплекта отогнутых особым образом направляющих лопаток, предназначены для тонкой сепарации микроскопических капелек влаги от пара.
Конструкция имеет автоматическую систему поддержания уровня отсепарированной жидкости в рабочем баке. Для этого в патрубке Ду 150 внизу емкости установлен поплавковый регулятор. Для того чтобы наблюдать за уровнем пара и отсепарированной воды, внутри корпуса устанавливается водомерное стекло с продувочными кранами, чтобы проверять их работоспособность.
Сепараторы продувки имеют высоконадежную конструкцию, выполняются из качественного толстостенного металла, способны работать в высокотемпературном режиме, под высоким давлением и в коррозионной среде.
Поэтому они имеют большой срок эксплуатации не менее 20 лет и хорошие гарантийные условия — три года с момента отгрузки покупателю.

Специалисты подсчитали, что тепло продувочной воды в сепараторе выгодно использовать уже при объеме продувки 0.27 кг/с. В котельной тепловой схеме есть достаточно много точек, где можно использовать это тепло.
Например, ее подают в качестве греющего теплоносителя на водоводяной теплообменный аппарат для нагрева исходной воды. Грязная шламовая вода из сепараторного бака поступает еще в один охладитель либо барботер, где отдает тепло, понижая свою температуру до 45 С, а после выходит в общекотельную канализацию.
Почему следует применять гидравлическую стрелку
Участок системы отопления с гидрострелкой.
С другого ракурса.
В системах отопления, где имеется два и более отопительных контура (радиаторы, водяной теплый плинтус. теплый пол, ГВС), как правило, контуры соединены между собой общим коллектором. При этом, наличие общего коллектора может привести к следующим проблемам:
- Циркуляционные насосы каждого из контуров оказывают влияние друг на друга (особенно если насосы различаются по мощности). Для преодоления воздействия более мощного насоса, маломощный насос должен работать на пределе своих возможностей, потребляя больше электричества, чем это требуется в «обычных» условиях. При этом, работая на пределе своих возможностей, насосы раньше выходят из строя. К тому же, в таких условиях насос не всегда может обеспечить требуемую производительность;
- Даже если циркуляционный насос одного из котуров был выключен, его радиаторы все равно будут нагреваться (под воздействием остальных насосов, циркуляция теплоносителя в отключенном контуре будет сохраняться);
- Трудности при расчете мощности насосов как для котла, так и для отопительных контуров. Мощность насоса котла должна подбираться с учетом суммарной мощности насосов потребителей тепла.
Все вышеперечисленные проблемы может решить гидравлическая стрелка.
Вид на стрелку сбоку.
Примечание! В гидравлическом разделителе скорость движения теплоносителя резко снижается (примерно в 9 раз), это происходит из-за того, что при входе в разделитель, диаметр потока увеличивается в несколько раз (как правило, в 3 раза). Благодаря этому, исключаются перепады давления в системе.
Рамы для картин и зеркал
Устройство сепаратора для сбросных вод от непрерывной продувки
Сепаратор имеет несложное устройство, корпус его выполнен в форме вертикальной цилиндрической емкости, работающей под давлением. Исходя от допустимого давления, донышки корпуса выполняются плоскими либо эллиптической формы. Подвод продувочной воды в бак может иметь сплющенную форму либо круглое сечение.
Источник схемы: cotlomash.ru
Закручивание потока входящей горячей воды производится с помощью подачи ее на стенку бака-сепаратора, благодаря размещению внутри специальных направляющих приспособлений. Как правило, расход продувки на сепарационное устройство устанавливается не ниже 1% от паропроизводительности котлоагрегата.
В самом низу имеется дренажный штуцер для периодического освобождения сепаратора непрерывной продувки от шламовых загрязнений. Водяной уровень в баке поддерживают в автоматическом режиме регулятором поплавкового типа.
Стили
Онлайн-курсы
Техническая характеристика сепаратора РЗ-БСД
Производительность, т/ч………7
Эффективность, %………50…60
Расход воздуха, м3/ч……… 3250
Диаметр наружного цилиндра, мм……1174
Размеры пневмосепарирующего канала, мм. . . 2800x60x400
Габаритные размеры, мм……. 1174x1174x2182
Масса, кг…………335
Расход воздуха регулируют дроссельным клапаном, установленным в нижней части отсасывающего воздуховода. Если в нем обнаруживают целые зерна, скорость воздуха уменьшают дроссельным клапаном. Наблюдая в цилиндрическое прозрачное окно, можно заметить неравномерность поступления зерна. В этом случае открывают продольные отверстия для забора воздуха. Дополнительный приток воздуха в верхней части способствует более равномерному распределению зерна.
Аспирационную колонку А1-БКА (рис.) относят к устройствам с каскадным принципом пневмосепарирования, она предназначена для выделения примесей из зерна злаковых культур, разделения продуктов шелушения крупяных культур, отличающихся аэродинамическими свойствами, а также для контроля крупы и лузги.

Рис. Аспирационная колонка А1-БКА
Над питающим валиком 12 размещен грузовой клапан 14, регулирующий толщину слоя продукта. Под валиком 12 расположены наклонные скаты 15 и четыре поворотных клапана, образующих каскады сепарирования. Клапаны 16 позволяют регулировать направление воздушного потока и прохождение продукта в зоне сепарирования. В нижней части корпуса на выходе из машины установлено магнитное устройство 17, представляющее собой набор малогабаритных магнитных дуг, соединенных полюсными накладками.
Осадочная камера 10 имеет вверху клапан 13 для регулирования расхода воздуха и соответственно скорости воздуха в зоне сепарирования. В нижней части камеры расположены два ряда разрезных клапанов 8, которые в процессе работы в результате образующегося вакуума прижимаются к наклонному скату и по мере накопления продукта силой его тяжести открываются, выпуская продукт (легкие примеси), не нарушая герметичности. Для регулирования положения клапанов 16 служат рукоятки 1, установленные на наружной боковой поверхности колонки. Здесь же находятся смотровые окна 6, 7 и 9.
Колонка имеет два прямоугольных отверстия, предназначенных для присоединения самотечной трубы и патрубка для аспирации, к которому подсоединяют воздуховод аспирационной сети. На передней стенке колонки сделаны два люка со съемными фортками 2, которые обеспечивают доступ к питающему валику и магнитному устройству. Электродвигатель 4 и редуктор 3 устанавливают на кронштейне 5, прикрепленном к корпусу 11 колонки.
Продукт через приемное отверстие попадает на питающий валик диаметром 70 мм и равномерной лентой через грузовой клапан поступает на первый неподвижный наклонный скат. Далее, перемещаясь с одного ската на другой, продукт каждый раз изменяет направление движения, образуя четыре каскада. На всем пути перемещения продукт продувается воздушным потоком, который увлекает и уносит в осадочную камеру легкие примеси (лузгу, пыль, мелкий сор и т.д.).
Зерно (или ядро), пройдя все каскады пневмосепарирования, поступает в нижнюю часть корпуса на наклонную плоскость магнитного устройства и, пройдя по ней, выводится из машины, а металломагнитные примеси удерживаются на полюсных накладках. Эти примеси периодически удаляют, очищая рабочую поверхность магнитного устройства. Легкие примеси осаждаются в камере 10 и по мере накопления выводятся из машины.
В период пуска колонки необходимо отрегулировать подачу продукта с помощью грузового клапана 14, общий расход воздуха на колонку (клапан 13) и по каскадам (клапаны 16), ориентируясь на максимально достигнутую технологическую эффективность. Воздушный режим в процессе эксплуатации необходимо периодически регулировать.
Система отопления без воздушных пробок
Чтобы в индивидуальной отопительной системе воздух не скапливался на проблемных участках, а выходил наружу, необходимо:
- правильно спроектировать и смонтировать трубопровод, грамотно установить радиаторы;
- использовать автоматические и ручные воздухоотводчики.
Рассмотрим, как выгнать воздух из системы отопления с естественной циркуляцией и верхней разводкой
При обустройстве трубопровода важно соблюсти такой угол наклона, при котором воздушные пузырьки свободно перемещаются вверх, в самую высокую точку контура, не скапливаясь на поворотах и пологих участках. В самой верхней точке такой системы должен быть установлен расширительный бак открытого типа, через который пузыри воздуха попадают в атмосферу
Стравливание воздуха из отопительной системы с помощью автоматического воздухоотводчика
Чтобы стравливать воздух из системы с принудительным движением теплоносителя или гравитационной системы с нижней разводкой, используется иной принцип. Под уклоном монтируются обратные трубопроводы (это упрощает слив жидкости из системы), а в верхней точке всех отдельных контуров ставят автоматические клапаны, через которые воздух сбрасывается по мере накопления.
Помимо автоматических воздухоотводчиков в системе задействуются и ручные краны Маевского. Такие воздухоотводчики монтируются на радиаторы отопления – на верхний патрубок с противоположной стороны от трубы, подающей нагретый теплоноситель. Чтобы воздух попадал в клапан, а не скапливался в верхнем коллекторе радиатора, прибор отопления рекомендуется устанавливать под небольшим углом. Сброс воздуха выполняется вручную по мере необходимости.
Как найти воздушную пробку?
В идеале система самостоятельно справляется с завоздушиванием благодаря автоматическим клапанам, через которые стравливается воздух. Обнаружив, что отдельный прибор отопления или часть контура не работают должным образом, необходимо найти место, где образовалось скопление воздуха.
Потрогайте радиатор — если его верхняя часть холоднее нижней, значит, туда не поступает теплоноситель. Чтобы выпустить воздух, откройте кран Маевского, установленный на стальном, алюминиевом или биметаллическом радиаторе, либо вентильный кран, который монтируют на чугунные батареи.
Как определить воздушную пробку в батарее
Определить место завоздушивания можно и по звуку — в нормальных условиях теплоноситель движется практически бесшумно, постороннее бульканье и звуки перелива возникают из-за препятствия в потоке .
Металлические трубы и приборы отопления простукивают легкими ударами — в местах скопления воздуха звук заметно звонче.
Избавляемся от воздушной пробки
При наличии ручных воздухоотводчиков на радиаторах, проблем с тем, как убрать воздух из батарей, не возникает. При помощи отвертки или штатного ключа немного вывинчивается шток крана Маевского, при этом под сливное отверстие подставляется подходящая емкость (достаточно полулитровой стеклянной банки). Спуск воздуха из системы отопления с помощью ручного воздухоотводчика сопровождается шипением и свистом, затем появляются брызги, после чего теплоноситель начинает течь тоненькой струйкой. На этом этапе кран Маевского следует закрыть.
Обратите внимание! Если батарея продолжает плохо греть после развоздушивания, проблема может крыться в засоре. В этом случае прибор отопления демонтируют и промывают
После установки радиатора на место заново, проверьте систему на наличие воздушных пробок.
Чтобы удалить воздушную пробку из системы отопления, если она скопилась в стороне от воздухоотводчика (ручного или автоматического), поступают следующим образом :
- Открывают ближайший к воздушному пузырю воздушный кран или клапан.
- Начинают понемногу подпитывать систему теплоносителем, чтобы жидкость за счет увеличения объема вытеснила воздушный пузырь в сторону открытого воздухоотводчика.
Автоматический воздухоотводный клапан с угловым подключением
Что делать в сложных случаях, когда пробку не убирает добавление объема теплоносителя? В такой ситуации помимо увеличения количества теплоносителя требуется добавить давления, нагрев жидкость до критических температур. Следует действовать предельно аккуратно, чтобы не ошпариться брызгами, сопровождающими сброс воздуха через автоматический клапан.
Важно! Если пробка систематически формируется на одном и том же участке трубопровода, врежьте в этом месте тройник и установите автоматический клапан
Устройство игольчатого клапана карбюратора

Все ДВС имеют практически общий принцип работы: то есть топливо смешивается с воздухом и попадает в специальную камеру сгорания. Данная смесь образуется непосредственно в карбюраторе, но мало, кто знает, что перед тем, как смешаться с воздухом топливо проходит через очень важную часть – игольчатый клапан карбюратора.

Он представляет собой клапан цилиндрической формы со сквозным отверстием, внутри которого перемещается запорная игла. Такой клапан устанавливается над поплавковой камерой, которая наполняется бензином. В процессе наполнения, поднимается поплавок, на конце которого имеется специальный рычажок. Данный рычажок поднимается вверх и воздействует на иглу клапана. После этого, игла перекрывает отверстие, и бензин перестает поступать в поплавковую камеру. После снижения уровня топлива в камере, поплавок снова опускается и вновь открывает игольчатый клапан для подачи очередной порции бензина.

























































