Разновидности обогревателей
В зависимости от принципа работы существует два совершенно разных вида приборов. Все подобные агрегаты можно разделить на устройства прямого и косвенного действия.
В первом случае конструкция максимально упрощена. В ней отсутствуют дополнительные фильтры или воздухоотводы. Это приводит к тому, что отработанные продукты сгорания попадают прямо в помещение. Такие агрегаты запрещено использовать в жилых зонах. Пользоваться подобными устройствами можно лишь в промышленных зонах или для временных работ при пониженных температурах.
Во втором случае, в конструкции предусмотрен дымоход, который дополнительно очищает воздух от продуктов горения. Кроме того, подобные агрегаты имеют дополнительную систему фильтрации. Такие автономные нагреватели можно использовать в закрытых жилых помещениях.
ТОП-3 лучших обогревателя на дизеле Ballu
- Ballu BHDP-20
- Ballu Biemmedue EC 85
- Ballu BHDP-100
Дизельный инфракрасный обогреватель
Такие приборы чаще всего используют тогда, когда необходимо быстро получить тепло там, где «гуляют» сквозняки. Принцип его работы схож с воздействием прямых солнечных лучей. Инфракрасный тепловой котел прогревает не воздух, а находящиеся вокруг него предметы. Нагреваясь, предметы отдают полученное тепло в воздух и он также постепенно прогревается.
Обогреватели такого типа устанавливают на открытых террасах, зимних верандах кафе и ресторанов. От обычного дизельного отопительного прибора, инфракрасные отличаются наличием излучателя и отражателя тепла. Дизельные инфракрасные печки не нуждаются в обустройстве системы отведения дыма. Они очень эффективны и экономичны.
Единственным их недостатком является невозможность быстро прогреть помещение большого объема. Но зато тепло можно получить быстро, буквально через несколько секунд после включения прибора.
Воздушная тепловая пушка
Этот вид дизельного обогревателя применяют тогда, когда необходимо обеспечить отопление помещения большой площади. Большие объемы быстро прогреваются за счет мощного потока теплого воздуха, нагнетаемого вентилятором.
Корпус тепловой пушки выполняют из прочного металла. Это помогает обеспечить надежную защиту от механических повреждений. Тепловая энергия, полученная от сгорания солярки, используется для нагревания керамического или металлического элемента, который и обдувается потоком воздуха.
Тепло в помещении будет сохраняться до тех пор, пока прибор работает. Если выключить тепловую пушку, воздух в комнате начнет быстро остывать. Такой агрегат весьма эффективен для больших помещений, изолированных от сквозняков и дополнительного притока воздуха.
Такие обогреватели на солярке отлично подойдут для дачи, но их нельзя назвать полностью энергонезависимыми. Для их работы все же необходимо электричество. С его помощью работает система безопасности: контроллеры температуры, уровня пламени и расхода топлива. При правильной эксплуатации приборы совершенно безопасны. В случае перегрева устройство автоматически выключается.
Керосиновый нагреватель
Эти приборы незаменимы в экстремальных условиях. Они способны работать только на керосине и не требуют дополнительного источника электроэнергии. Это отличный вариант в тех случаях, когда в доме нет света или не проведен газопровод.
Очень популярен керосиновый нагреватель и у туристов. Его удобно взять с собой в поход: в горы или на рыбалку. С его помощью можно не только нагреть палатку, но и приготовить чай или уху.
Устройство прибора очень похоже на устройство обычной керосиновой лампы. Только вместо защитного стекла сверху устанавливается обечайка горелки и предохранительная решетка. От пламени горелки обечайка разогревается и начинает выделять тепло в помещение. Поскольку в результате работы сжигается не только жидкий керосин, но и его пары, коэффициент полезного действия такого прибора достигает 99%. Это значит, что ни одна капелька теплоносителя не будет истрачена впустую.
«Солярогаз» и другие чудо-печи
Этот вариант схож с предыдущим по принципу работы. Разница заключается лишь в том, что кроме керосина прибор может работать и на обычной солярке. Это значительно дешевле.
Имеет «Солярогаз» и недостаток — увеличенные вес и размеры. Такой прибор без заправки весит около 4 кг, а с полным баком солярки вес может достигать 7 – 7,5 кг. Согласитесь, нести такую печь в рюкзаке не слишком удобно. Поэтому «Солярогаз» подойдет скорее тем, кто путешествует в автомобиле.
Что такое инфракрасный обогрев?
ИК-лампы испускают тепловые лучи. Предметы, которые находятся в пределах действия таких приборов, поглощают эти волны, а затем передают полученное тепло окружающему воздуху. Природа инфракрасных лучей сравнима с характеристиками обычного видимого света, постольку они точно так же подчиняются законам оптики.
Хотя ИК-волны и обладают прозрачностью, коэффициентами преломления и отражения, как и видимые световые волны, конкретные их свойства обладают несколько иными характеристиками. Например, такое излучение с трудом преодолевает слой воды всего в несколько сантиметров толщиной, но его легко пропускают кремниевые пластины.
Алюминий отражает ИК-лучи гораздо лучше, чем волны видимого света, коэффициент отражения может достигать 98%. Воздухом такое излучение практически не поглощается, это и обеспечивает высокий уровень КПД у обогревателей этого типа. Но вот водяные пары, озон, углекислый газ и прочие “наполнители” могут заметно испортить дело.

Инфракрасные волны проходят через воздушное пространство практически без потерь тепловой энергии, которая поглощается окружающими объектами и распространяется снизу вверх
В отличие от конвекционного нагрева, ИК-волны греют не воздух вокруг прибора, а поверхности объектов, на которые они направлены. Воздух греется уже от этих предметов. Понимание этого принципа поможет правильно использовать инфракрасные нагревательные приборы.
Принцип работы
Жидкое топливо (это может быть не только дизельное, но и керосин), поступает в кольцевой резервуар с топливом, где свёрнут стекловолоконный фитиль.
Фитиль пропитывается и горит, над ним находится горелка.
Газообразная смесь попадает в камеру сгорания (систему цилиндров с большим количеством перемычек, отверстий и т.д.), где послойно и равномерно догорает.
Устройство цилиндров в камере сгорания позволяет задействовать конвекцию и инфракрасный режим обогрева. Эти нержавеющие элементы разогреваются до 800 °С и греют воздух, инфракрасные лучи (длина 620 -700 нм) отражаются от зеркального экрана и направляются в помещение, и нагревают предметы.
Горение в этом приборе проходит практически без открытого пламени. Определить правильно ли идёт процесс, можно на глаз.
Пламя не должно подниматься выше защитной решётки (может сгореть как сама решётка, так и фитиль).
Общие сведения о тепловых дизельных пушках
На первый взгляд конструкция такого обогревателя может показаться чрезмерно сложной и непрактичной. В то время, как те же конвекторы и радиаторы представляют собой почти незаметные настенные панели, дизельные обогреватели включают в состав несколько рабочих компонентов, в числе которых камера сгорания, бак с топливом, вентилятор и несколько коммуникационных каналов. Многокомпонентная структура обусловлена принципом работы, эффективность которого как раз и оправдывает недостатки конструкции.
В процессе работы происходит сжигание топлива с выработкой тепла. Для рассеивания генерируемых нагретых потоков воздуха используется вентилятор – его необходимо направлять на целевую зону. Собственно, такой принцип действия и обусловил второе название агрегата – тепловая пушка. Важным достоинством оборудования является независимость от источников энергии. Как правило, автономный дизельный обогреватель не требует питания от электросети, поскольку его функция обеспечивается за счет энергии от камеры сгорания. Впрочем, есть и комбинированные модели, в которых работа вентилятора отдельно поддерживается электричеством.

Принцип работы газовой тепловой пушки
С помощью электрического двигателя запускается вентилятор, засасывающий внутрь пушки холодный воздух. Топливо, в виде газа поступает через редуктор в горелку. Происходит воспламенение посредством пьезоэлемента (безопасность агрегата обеспечивается автоматической системой с термодатчиком, прекращающей подачу газа в случае, если пламя потухло). Проходящие сквозь пушку потоки нагретого воздуха выталкиваются с помощью вентилятора наружу.
Некоторые особенности газовых тепловых пушек
- Возможность быстрого подключения и замены газового баллона
- Стабильная работа даже в сильный мороз (в худшем случае необходимо потрясти баллон)
- КПД устройства близок к 100%
Важно помнить, что при работе агрегата сгорает кислород в помещении, поэтому при обогреве в комнате не должны находиться люди, а после завершения работы агрегата необходимо проветривание
Розжиг
Розжиг лучше осуществлять на улице, а уж потом заносить работающий прибор в дом (это позволит избежать неприятных запахов в помещении).
Если печь длительное время не использовалась, перед началом розжига её нужно почистить. Снимается решётка, горелка, бак на задней стенке, вытаскивается весь топливный узел. Все детали прочищаются, натирается экран-отражатель.
Очень важно установить прибор строго горизонтально, иначе будет сложно добиться равномерного горения фитиля по всей его протяжённости. Затем розжиг:
Затем розжиг:

- В съёмный бак заливается топливо.
- В горелку устанавливается новый фитиль (скручивается кольцом в нижней части горелки).
- Горелка и решётка возвращаются на прежнее место.
- Вентиль немного откручивается, что даёт доступ топлива к фитилю.
- Открывается передняя панель, которая выполняет роль дверцы.
- Зажигается край скрученной бумаги и подносится к горелке снизу.
- Когда топливо хорошо разгорится, и пламя поднимется выше решётки, вентиль полностью закручивается (о том, что произошёл достаточный нагрев, скажет раскалённый до красна низ горелки).
- Дождавшись, пока пламя начнёт тухнуть, вновь его открутить, но уже на ту интенсивность, которую хотелось бы достичь.
Когда нужно выключить печку, до упора закручивается её вентиль.
Пока у пользователя мало опыта в обращении с печкой, очень сложно добиться ровного горения фитиля (это может занять более получаса).
Но если опыт розжига есть, но всё равно никак не удаётся получить синее пламя по всему фитилю, это может быть одна из следующих проблем:
- Неровная поверхность, наклон печи.
- Цилиндр горелки ещё не прогрелся полностью.
- Износился фитиль (он слегка подгорает каждый раз и чем больше используется, тем более повреждается).
Изношенному фитилю можно попробовать продлить жизнь, просто перевернув его, или подрезав ножницами горелый край. Чтобы фитиль служил дольше, его можно периодически промывать в керосине.
Обогреватель своими руками
Безусловно, печь на солярке для жилых помещений, гаражей, теплиц и других небольших объектов, можно приобрести в магазине. Цены на них приемлемые. Но не менее качественную модель можно сделать самостоятельно.
Существуют несколько видов печей на керосине, солярке или отработанном масле, то есть на жидком топливе. Каждая имеет свои достоинства и недостатки.

Печь на жидком топливе сделанная своими руками, не будет особо отличатся качеством от купленной в магазине
Из двух бачков
Состоит такой вариант печи из двух частей круглой или прямоугольной формы. В нижнюю, выполненную в виде ёмкости на ножках, заливается отработанное мало или солярка. Здесь жидкое горючее, испаряясь, проходит стадию первичного горения. Нижняя емкость соединена с верхней с помощью перфорированной трубы, в которой происходит вторичное горение. В самой трубе проделывают множество отверстий, которые осуществляют подачу вторичного воздуха.
Крышка на нижней ёмкости имеет два отверстия: для заливки горючего и с заслонкой, помогающей регулировать интенсивность горения. Само же горение осуществляется за счёт естественной подачи воздуха, то есть тяги.
Такая печь имеет высокий КПД и хорошо обогревает помещение, но имеет ряд недостатков.
Во-первых, при попадании в горючую жидкость даже малого количества воды начинают происходить неприятные громкие выхлопы, зачастую с языками пламени или искрами из горящего масла, что может стать причиной пожара.
Во-вторых, как при розжиге, так и в процессе эксплуатации, такая модель распространяет неприятный запах. Это может стать серьёзной проблемой при использовании печки в жилом помещении.
Подобная модификация не требует использования особенных материалов и может быть изготовлена из подручного сырья. Это объясняет ее огромную популярность.
Подробнее о печке из баллона:
Модель капельница
Подобный вариант печки хоть и является технически более сложным для самодельного производства, однако более безопасен и эффективен. Раньше ее использовали в полевых условиях. Печку можно назвать армейской, так как нередко именно военные или геологи мастерили подобные аппараты.
В основе работы печки для теплицы на солярке или другом жидком топливе лежит метод капельной подачи в камеру сгорания. Для реализации такого проекта можно воспользоваться старым газовым баллоном или трубой большого диаметра. Внизу располагают небольшую ёмкость, наподобие чаши, где будет происходить горение дизтоплива.
Сверху до самой чаши устанавливают перфорированную трубу, через которую поступает воздух. За счёт этого печь получается особенно экономичной, так как происходит не только горение паров топлива, но и пиролизных газов.
Внутри трубы для подачи воздуха устанавливается трубка, по которой подаётся топливо. А сам бак с горючим располагается на удалении от основной конструкции, что делает установку более безопасной. Интересно выполнено дозирование топлива. Здесь находит своё применение обыкновенная капельница, а подача регулируется дозатором от неё.

Такая печь может работать не только на солярке, но и на отработке
Нелишним будет сделать дополнительно ещё два отверстия, одно из которых выполняет роль смотрового окошка, а второе предназначено для чистки агрегата изнутри. Они же будут действовать в качестве взрывного клапана при необходимости.
Для того чтобы увеличить производительность такого обогревателя, можно для нагнетания воздуха добавить вентилятор с возможностью регулировки. Это даст не только более качественное горение, повышение температуры и КПД, но и возможность более точного регулирования температуры.
Полученная модель печки-самоделки может работать как на дизельном топливе, так и на отработанном масле.
Подходит ли для гаража газовое отопление?
Зачастую частный гараж сегодня является не просто местом хранения автомобиля, но и небольшой личной мастерской, складом запчастей и помещением для мелкого ремонта машины. К электросети он обычно подключен, а вот к централизованному отоплению – далеко не всегда.
Слишком дорого прокладывать к подобному строению отопительные трубы по улице. Тем более что обогрев в рассматриваемом случае нужен не постоянный, а лишь сезонный.
Чаще всего газовый обогреватель для гаража выбирают с подачей газа из баллона (пропана или смеси пропан-бутана), трубы с метаном тянуть дорого и нерационально в силу непостоянного использования обогревательного прибора
Если отопление гаража организовывать на электроэнергии, то огромные счета за электричество отобьют всяческое желание часто включать обогрев. Да и не всегда существующие электрические сети способны выдать необходимый ток для хорошего мощного обогревателя.
В случае с собственным участком и частным домом особых проблем с требуемым напряжением, скорее всего, не возникнет. А вот в ситуации с гаражным массивом в городе о дополнительных киловаттах можно даже не мечтать. Электросети для подобных помещений обычно рассчитаны только на пару лампочек и розетку для маломощного электрического инструмента.
И дешевый газ остается здесь фактически единственной альтернативой электроэнергии. Обогреватель на дизельном топливе слишком грязен в экологическом отношении.
Печь на дровах или угле для гаража тоже не слишком подходит из-за повышенной пожарной опасности, обилия сажи и кратковременности использования. Дровяная печка слишком долго разогревается, чтобы использовать ее для нагрева небольшой гаражной мастерской на пару часов работ.
Газовые обогреватели для гаража, работающие от баллона, хороши:
- компактностью и мобильностью отопительного прибора;
- дешевизной оборудования;
- доступностью топлива (баллон сжиженным газом можно заправить на любой АГЗС);
- экологической чистотой и отсутствием сажи;
- сравнительно низкой ценой топлива;
- простотой использования нагревателя;
- длительным сроком службы прибора в 15–20 лет;
- высокой скоростью прогрева помещения.
Единственный их недостаток – взрывоопасность и высокий риск возникновения пожара. Однако если соблюдать элементарные правила обращения с газовым оборудованием, то такой прибор вполне безопасен.
При работе газовый обогреватель сжигает кислород в помещении, поэтому перед его включением необходимо позаботиться о достаточном воздухообмене и хорошей вентиляции в гараже
Взрываются обогреватели на газу крайне редко. Требуется сильно постараться, чтобы при их эксплуатации довести ситуацию до взрыва и даже пожара. Электрические аналоги из-за коротких замыканий горят гораздо чаще.
При этом автономный газовый прибор в замкнутом помещении опасен постепенным сжиганием кислорода внутри гаража. Если вентиляция плохая и притока уличного воздуха нет, то газ в горелке может потухнуть. И тогда при отсутствии в обогревателе отключающей подачу топлива из баллона защиты недалеко до взрыва, пожара или угара.
Классификация видов
Существует только один вид ультрафиолетового обогревателя, который знаком практически каждому человеку. Это синяя лампа, с помощью которой лечат такие заболевания как насморк или ушные проблемы.
Оборудование используется не только в качестве обогрева для помещения, но также для просушки обуви.
Также можно встретить более специфические модели ультрафиолетовых ламп – медицинские.
По функциональности оборудования, ультрафиолетовые лампы подразделяются на несколько групп:
- Открытый тип. Лампы вставляются в корпус и обладают небольшой мощностью, и с помощью них происходит обеззараживание помещений. Важный нюанс – перед использованием необходимо, чтобы все люди, животные и растения были в безопасной зоне.
- Закрытый тип. В специальную изолированную камеру устанавливаются мощные лампочки, с помощью которых происходит процесс обеззараживания.
- Специальное назначение. Эти лампы маломощные и применяются для различных физиотерапевтических нужд, которые даже можно использовать в домашних условиях.
Ультрафиолетовая лампа закрытого типа
Также ультрафиолетовые нагреватели классифицируются на несколько видов по способу исполнения:
- Стационарные образцы.
- Штативного исполнения.
- Компактные переносные.
Печь на солярке для гаража
Печь капельница актуальна для подвалов, маленьких помещений, дачного домика, гаража, теплицы, где отсутствует отопление и электричество.
Построить печь своими руками – достаточно доступное и не затратное занятие. О том, как сделать печь капельницу на солярке самостоятельно, пойдёт речь в нашей статье.
Отличительные особенности
У печки, собранной своими руками, имеется ряд преимуществ:
- она экономит топливо;
- по желанию можно сконструировать печь любого размера, которая будет наиболее подходящим вариантом для данного помещения;
- легко транспортируется;
- простота в использовании;
- печь капельницу можно использовать для приготовления еды. Для этого при конструировании печки трубу размещают сбоку.

Схема печи капельницы на солярке. Это очень экономичная конструкция. В печной камере происходит полное сгорание соединений
При изготовлении печи капельницы своими руками, нужно соблюдать технику пожарной безопасности:
- аппарат должен располагаться в помещении без сквозняков;
- легковоспламеняющиеся предметы должны отсутствовать вблизи печки, желательно наличие свободного пространства рядом с ней (около полуметра);
- нельзя применять воду для тушения или охлаждения печки.
Материалы, которые понадобятся для строительства печи:
Основные инструменты, которые пригодятся для работы – это сварочный аппарат, дрель и струбцина.

Популярный аппарат, сделанный своими руками – это капельная печка из газового баллона
Принцип работы устройства
В нижнем резервуаре топливо закипает спустя пять минут работы. Пары масла поступают в следующий отсек, который называется горелка. Там, для лучшего сгорания, пар обогащается кислородом.

Принцип капельной подачи отработки в чашу (для увеличения нажмите на картинку)
Затем, продукты сгорания поступают в верхний отсек, а оттуда в дымоход. Наиболее высокая температура в верхнем модуле капельной печи.
Самостоятельное изготовление
Для этого понадобится бак не менее объемом 2 л. Дыма и сажи не будет во время эксплуатации печки. В процессе розжига печки – будет, поэтому этот процесс рекомендуют проводить на улице.

В фитильную чашку поступает солярка из топливного бака. С помощью дозатора можно регулировать количество поступающего топлива. В чашке сгорания топливо нагревается до образования газообразной смеси, которая далее поступает в камеру сгорания. Спираль, которая находится вверху камеры, нагревается до температуры 800 °С. Дым улетучивается через дымоход.
Можно самостоятельно смастерить аппарат массой шесть килограмм. Солярка является топливом с достаточно высокой плотностью, поэтому ее расходование минимально. В целом, такая печь – это эффективная и легко транспортируемая конструкция.
Печка капельница на отработанном масле
Одним из видов дешевого топлива является отработанное масло. Печка может нагреться до 800-900 °С. На выходном отверстии температура будет 90 °С.
Залить порцию масла и добавить 50-100 г вещества для разжигания (спецжидкость, печное топливо, керосин или дизельное топливо). Это нужно для быстрого розжига печи. Подождать пока процесс горения стабилизируется. Затем можно залить следующую порцию.
Если есть пролитое масло, его нужно сразу же удалить. Горение происходит внутри трубы. Это безопасный процесс. Расход топлива от 0,5 до 1,5 литра в час. Когда печка разгорится, можно подогревать воду.

Печка капельница на отработанном масле
Рекомендованные к использованию: соляровое масло, мазут, отработанное масло, печное топливо. Нельзя применять – бензин, ацетон или другие растворители. Следует избегать попадания воды в топливо.
В специальной литературе есть большое количество подробных инструкций о том, как сделать печь капельницу своими руками. Каждая из таких конструкций уникальна, имеет свои преимущества и недостатки. Можно воспользоваться и магазинным вариантом печки, но доработать его по своему усмотрению.
Как выбрать нужную модель
Изначально необходимо определить тот вид теплового агрегата, который вы хотите купить (непрямого или прямого нагрева).
Дизельный обогреватель прямого нагрева имеет открытую горелку, откуда подогретый воздух движется в сторону направления агрегата. Такое оборудование способно прогревать окружающий воздух до 400 градусов Цельсия
Помимо всего прочего, необходимо брать во внимание их экономичность. Но вместе тем, их нельзя использовать в закрытых или жилых помещениях с людьми
Они применяются в качестве обогрева строительных площадок, для просушки разных материалов или на открытых пространствах.

Дизельный обогреватель непрямого нагрева имеет горелку замкнутого типа. Топливо после сгорания отправляется в теплообменник, где осуществляется нагрев воздуха. Далее, через шланг, он проникает в помещение. Стоимость таких аппаратов несколько выше, чем предыдущих, но их можно смело использовать в помещениях с людьми. Они способны нагреть воздух до 120 градусов по Цельсию.
Принцип работы
Принцип работы солнечных батарей заключается в образовании электрической энергии, они никак не накапливают и не образуют её. При прямом попадании лучей солнца на их поверхность они сразу же преобразовываются в ток и выводятся из панели.
Каждая пластина может вырабатывать по 250 Вт, поэтому для улучшения принципа работы их стараются устанавливать ближе друг к другу. Ток, полученный в результате фотосинтеза, через распределитель попадает в аккумуляторы, а потом уже в инвертер электросети дома.
Следует учесть, что объём аккумуляторов солнечных батарей влияет на продолжительность дневной работы батарей. Подзарядка аккумуляторов происходит в течение дня, пока используется энергии образованная на прошлом дне.
Принцип работы прост, и в то же время эффективен благодаря «полупроводнику». Полупроводник содержит атомы которые могут благодаря внешнему электрону захватывать или же отражать другие электроны. Вследствие этого поверхность солнечных батарей покрывается этим материалом. Этим «полупроводником» являются Селен и Кремний.
Отопление капельницами
Если капельная печь используется для отопления, нужна ее мощность не менее 15-16 кВт. Только увеличением частоты капели этого не добиться: из-за возросшего тепловыделения капли будут испаряться еще в подводящей трубке. Печка (теперь уже самодельный котел на жидком топливе) перейдет на горение хлопками, а потом погаснет. Поэтому в отопительном котле на солярке и отработке трубку капельницы подводят к пламенной чаше в рубашке, охлаждаемой потоком воздуха.
Но это еще не все. Вследствие того же большего тепловыделения испарение топлива и горение паров будут интенсивнее. Часть топливного пара будет сразу отброшена в сторону, не сгорит и станет накапливаться в объеме котла, что может привести к взрыву. Поэтому на выходе топливопровода ставят завихритель, и конструкция дефлектора будет иной, чем в капельной буржуйке.

Схема системы отопления с капельным котлом на солярке
Подача воздуха при мощности до прим. 12 кВт термоконвекционная энергонезависимая: забираемый воздух сначала нагревается в воздушной рубашке дымовой трубы, а затем несколько остывает в алюминиевом гофрошланге, что и обеспечивает необходимый «подсос». На большую мощность необходим наддув от вентилятора ок. 60 Вт, напр., обдувающего радиатор ВАЗ-2109.
Существенный недостаток описанной системы – во избежание погасания горелки и накопления в нем взрывоопасных паров вода в рубашке котла должна течь противотоком естественной термосифонной циркуляции, т.е. сверху вниз. Поэтому в системе необходим циркуляционный насос с энергонезависимой (термомеханической) автоматикой аварийного останова котла при прекращении электропитания. Все это делает данную систему весьма сложной и в то же время ненадежной.
Построить капельный котел для системы водяного топления с естественной термосифонной циркуляцией возможно, но в таком случае усложняется его конструкция и становится необходимым принудительный наддув воздуха в рубашку охлаждения топливопровода. Если вы желаете отапливаться непременно дизтопливом или просто нечем больше, то чертежи капельного отопительного котла с естественной циркуляцией теплоносителя в водяной рубашке см. на след. рис.

Чертежи капельного котла на солярке для системы водяного отопления с термосифонной циркуляцией
Тоже вариант
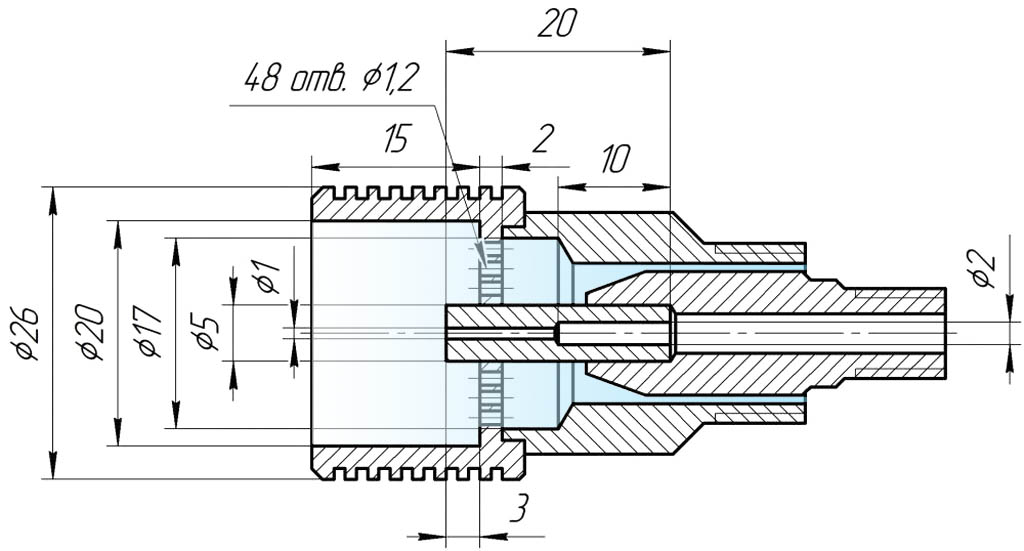
Существует еще один способ запустить дровяно-угольную печь на керосине и солярке: сунуть ей в топку эжекционную горелку. Он возможен, если есть источник сжатого воздуха – наддув нужен 1,5-2 ати. При условии, что топливный бак расположен ниже горелки (это совершенно обязательно!) данный способ максимально безопасен: нет наддува – горелка гаснет. Сборочный чертеж распылительной головки эжекционной горелки для бензина, керосина и дизтоплива дан на рис. Воздух подается в кольцевой зазор (выделено цветом); недостающие размеры можно взять пропорционально, т.к. чертеж в масштабе.

Чертеж распылительной головки эжекционной горелки для жидкого топлива

























































