В словаре Синонимов 2
Почему может подтекать клапан
Клапан сброса давления в отопительной системе может подтекать по разным причинам. В некоторых ситуациях это допустимый естественный процесс, в других случаях протечка говорит о неисправности прибора.
Подтекание клапана защиты может быть вызвано следующими причинами:
- Повреждением герметичного резинового стакана, диска в результате многократного использования. Если при ремонте деталь на замену не удастся обнаружить в продаже или она не входит в комплектацию, придется менять прибор полностью.
- В пружинных видах открывание бокового спускного патрубка происходит постепенно, при пограничных значениях давления или кратковременных скачках клапан может частично срабатывать и капать, что не говорит о его неисправности.
- Подтекание могут вызвать неправильная настройка или неисправности расширительного бака — повреждение его мембраны, выход воздуха через разгерметизированный корпус или испорченный ниппель. В этом случае возможны резкие скачки давления в результате гидроударов, вызывающие периодическое кратковременное вытекание теплоносителя через предохранительный клапан.
- Причина подтекания некоторых регулируемых клапанов – просачивание жидкости по штоку через верх во время срабатывания.
- Если на отводном патрубке создается противодавление выше порога срабатывания прибора, также происходит протечка.
Предохранительный клапан паровых котлов призван защищать их от превышения давления в системе, вызванного разными факторами, и является обязательным элементом при эксплуатации данного вида оборудования. В продаже имеется широкий ряд предохранительных устройств от китайских, отечественных и европейских производителей, отличающихся относительно невысокой стоимостью. При покупке рациональные выбрать защитную группу из нескольких приборов, куда дополнительно входят манометр и воздушный спускной клапан.
Возможные поломки котлов бакси
Ремонтные работы в котлах бакси стоит выполнять своими руками только при наличии видимых и лекгоустраняемых причин поломки. В случае отсутствия опыта обращения с агрегатами или при неимении специальных инструментов лучше доверить ремонт котла компетентному мастеру.
- — не включается или гаснет горелка котла;
- — зажигание становится невозможным;
- — в топочной камере слышны хлопки;
- — котел перегревается;
- — максимальная температура нагрева теплоносителя становится недостаточной;
- — работа котла становится шумной;
- — один из датчиков или элементов системы выходит из строя.
Причины поломки котлов бакси:
- — в котел попала влага;
- — вода (теплоноситель) низкого качества;
- — произошел перепад или снижение давления газа в газопроводе;
- — произошел перепад напряжения электросети;
- — система отопления была смонтирована неверно.
Кратко о механизме трехходового клапана
Устройство трехходового клапана бытового газового котла и другого газового оборудования является достаточно простым, несмотря на сложную, на первый взгляд, форму. Следует отметить, у каждого производителя конструктивное исполнение клапанов существенно отличается, но принцип действия фактически остаётся неизменным.
Традиционно корпус прибора изготавливают из бронзы. Рабочие элементы, например, шток, пружины – выполняются из стали. Мембрана обычно изготовлена из резины Для уплотнения штока используется двойной кольцевой элемент. Соединительные детали (штуцеры) могут иметь исполнение под резьбу или пайку, в зависимости от модели трехходового клапана.

Один из широко распространенных вариантов исполнения трехходового клапана: 1, 2 – угловой проходной транспортный канал; 1, 3 – прямой проходной транспортный канал; 4 – головка привода; A – транспорт потоков в режиме отопления; B – транспорт потоков в режиме ГВС
Обычно совместно с прибором используется электромеханический привод. Благодаря его работе осуществляется двухточечное регулирование.
Так, привод у трехходового клапана может быть ручным, электромеханическим (термостатический, с термоголовкой), электрическим, гидравлическим.
Принцип работы трехходового клапана для схемы газового котла, примерно, следующий: когда устройство находится в режиме нормально открытого транспорта, прямой проходной транспортный канал, соответственно, открыт. Угловой проходной канал остаётся закрытым.
Иное состояние механизма обеспечивает открывание углового транспортного канала и блокировку прямого транспортного канала, соответственно. Также возможны промежуточные положения штока и заслонки трехходового клапана.
Подробнее об устройстве и принципе работы трехходового клапана мы говорили в следующем материале.
Минимальные сроки поставки
Онлайн калькулятор для перевода дюймов в миллиметры и обратно
Принцип действия и типы приводов клапана
Изделие производится разных конфигураций и с различными приводами, но принцип работы трехходового клапана остается неизменным: смешивать два потока с разными температурами в один, температура которого задана пользователем или требуется по схеме. Жидкость внутри клапана течет от одного патрубка к другому до тех пор, пока не изменится ее температура и не достигнет установленного значения. Тогда привод постепенно открывает поток из третьего патрубка, удерживая температуру выходящей воды в рамках заданного значения. На этом основании такой кран и называется трехходовым.

Принцип работы трехходового клапана
Любой трехходовой смесительный клапан имеет два входных и один выходной патрубки. Распределение потоков осуществляется с помощью привода, который бывает нескольких видов:
- Термостатический привод (термостат) является одним из самых популярных, работает за счет теплового расширения чувствительного элемента, вследствие чего происходит нажим на шток клапана и жидкость начинает смешиваться.
- Широко распространенный тип привода, который устанавливается в трехходовой переключающий клапан – это электрический, действует от сигнала с блока управления.
- Клапан может управляться нажатием на шток приводом термостатической головки. Она реагирует на температуру воздуха, которую определяет сама или с помощью выносного датчика и капиллярной трубки. Привод чаще всего используется в напольных системах обогрева.

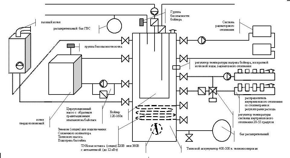
Стационарные твердотопливные котлы не могут быть напрямую включены в систему отопления. Одна из причин – нельзя допустить попадание холодной воды в рубашку котла, пока он не разогрелся. В противном случае на стенках топки выделяется конденсат, который, смешиваясь с пеплом, образует прочный слой нагара. Он препятствует свободному теплообмену, уменьшая КПД установки, а счистить нагар очень трудно. Вторая причина – нужно защищать чугунные топки от перепада температур при непредвиденной остановке насоса вследствие отключения электричества, а потом его запуска. Задача — не пустить холодную воду внутрь горячего котла, для чего и нужен трехходовой клапан. Он заставит циркулировать теплоноситель по малому кругу, пока тот не нагреется, и только потом станет подмешивать холодную воду.
Профилактика
- Чтобы обеспечить защиту от прихода соседских клопов, нужно заделать все щели, поставить мелкую сетку на вентиляционные шахты, и закрыть щели в сквозных розетках.
- Дома не должно быть лишних и ненужных вещей, это те места где клопы могут обитать.
- Постельное белье и вещи, нужно стирать на максимальных температурах.
- Постоянно убираться в квартире, доставая все дальние углы.
- При покупке новой мебели в квартиру, нужно очень хорошо ее просмотреть.
Случаи, в которых нужна обязательная проверка:
- В случае переезда в новую квартиру.
- После каких-либо поездок, отдыха и походов.
- Если у вас побывали дома, сумки и багаж чьих-то людей.
- Если у вас оставались дома гости с ночевкой.
Схемы печей для дома с преимущественным нижним прогревом
Отопительные печи Кузнецова: чертежи и порядовка своими руками
Как выбрать надежный клапан
В проекте отопительной системы нужно чётко определять предельные допустимые значения давления. Также учитывается продуктивная способность бойлера или насоса, объём, особенности циркуляции температуры рабочей среды. Исходя из этого подбирается тип и конструктивные особенности.
Из ранее перечисленных видов пользователям рекомендуется использовать пружинные предохранительные клапаны. Они отлично подойдут для котлов с небольшой мощностью. Также используют устройства с низким или средним подъёмом для водогрейных систем.
Если рабочая среда сбрасывается в окружающую среду, то следует выбрать устройство открытого вида. Если сброс происходит в дренаж, то используется конструкция корпуса с выходным патрубком резьбового присоединения.
Традиционный подрывной клапан имеет доступную цену, легко устанавливается. Это устройство хорошо защищает закрытую систему отопления с газовым илиэлкетрическим котлом, так как при возникновении аварии нагрев прекращается сразу.
Также не рекомендуется приобретать дешёвую китайскую арматуру. Она ненадёжна и протекает сразу, после первого подрыва.
Конструкция термосмесительного клапана и принцип действия
Как и большинство деталей и элементов конструкции твердотопливного котла, трехходовой или так же имеет простую и понятную конструкцию. В его состав входят:
- основной корпус;
- подпружиненный шток;
- две заслонки, тарельчатого типа;
- термостатический элемент (головка с фиксированными положениями).
На рисунке-схеме подробно показан механизм в разрезе, где и как расположены его основные элементы.

Глядя на конструкцию приспособления не трубно понять принцип действия. Рассмотрим детальнее происходящие процессы.
В обычном режиме работы отопительной системы основные заслонки, расположенные линейно, находятся в открытом положении. Недостаточно горячая вода свободно проходит свободно из котла в отопительный контур.
Термостатическая головка, оснащенная датчиком с чувствительной к температуре жидкостью, находится в стандартном положении. При возникновении внештатной ситуации, к примеру: со стороны котла в систему начинает поступать теплоноситель, температура которого превышает заданные параметры. Срабатывает датчик контроля температуры, приводящий в движение шток. Действующий механизм перекрывает основной, прямоточный проход, открывая одновременно с этим проход со стороны, через который поступает холодная вода. В результате смешивания воды разной температуры наступает выравнивание температуры до установленной нормы. Теплоноситель, уже нормальной температуры покидает устройство через патрубок в систему отопления. Регулировка термостатической головки прибора определяется степенью нажатия сильфона с расширяющей жидкостью на шток. Соответственно определяет чувствительность приспособления.
Момент срабатывания устройства определяется регулировкой головки, настроенной на определенную температуру.
Если вода продолжает в результате предпринятых действий нагреваться, устройство перекрывает основной входящий поток, открывая доступ холодной воды из третьего патрубка. Шток в данном случае находится в крайнем нижнем положении. К основному потоку уже подмешивается вода из третьего патрубка. При изменении температуры теплоносителя в сторону снижения, шток под действием датчика снижает давление, открывая доступ горячей воде.
Для того, что бы добиться правильной работы всего механизма, необходимо точно соблюсти требования по его установке. может устанавливаться в правостороннем или в левостороннем варианте, как на обратке, так и на подающем контуре. В процессе эксплуатации приспособление совершенно не требует обслуживания.
Составляющие
Устройство теплого плинтуса водяного. (Для увеличения нажмите)Теплый плинтус водяного типа состоит из:
- панели лицевой (на ней расположены специальные отверстия, по которым функционирует воздушный поток);
- панели тыловой (защищает стену от воздействия высоких температурных показателей, отвечает за удобность установки обогревательного прибора);
- отопительные радиаторы (имеют габариты – 1000 мм*40мм*160мм, основная функция — нагрев);
- заглушки боковые, поворотные.
- модуль теплообменный (характеризуется двумя трубками, по которым течет горячая вода).
Внутреннее устройство
Есть два вида поворотных клапанов – седельные и поворотные. Они отличаются внутренним устройством и типом прилагаемого усилия для регулировки.
В поворотном трехходовом кране есть шаровая заслонка. Она проворачивается, перекрывая одно направление и открывая другое (см. рис). Внутреннее устройство такого крана схоже с шаровым вентилем.

Принцип работы поворотного трехходового клапана
В седельном трехходовом кране есть шток с одним (в смесительном) или двумя (в разделительном) запорными устройствами (см. рис). Они представляют собой металлические шарики, которые плотно усаживаются в гнездо. Когда один из них перекрывает поток, второй – полностью открыт.

Принцип работы седельного трехходового клапана.
Настройка, регулировка газового клапана SIT

Газовый клапан SIT Газовый клапан SIT. 1 — измерительный штуцер давления газа на выходе клапана, перед горелкой; 2 — регулировочная гайка максимального расхода газа; 3 — регулировочный винт минимального расхода газа; 4 — крышка регулировочного устройства; 5 — измерительный штуцер давления газа на входе клапана, в газовой сети.
Производители двухконтурных газовых котлов многих торговых марок устанавливает на котлы газовый клапан итальянской фирмы SIT. Настройки максимальной и минимальной мощности горелки котла производятся вращением регулировочных винтов, расположенных на корпусе клапана.
Производитель котлов Protherm Gepard (Panther) на некоторые версии котлов вместо газового клапана фирмы Honeywell устанавливает газовый клапан SIT 845 Sigma. Такой газовый клапан стоит и в газовых котлах серии Vaillant.
В сервисном меню котлов Protherm с клапаном SIT строки d.52 и d.53 отсутствуют.
Как регулировать минимальное и максимальное давление газа на выходе газового клапана смотрите ниже, в видео. Принцип настройки не меняется.
Нормальное динамическое давление газа на входе газового клапана должно быть в пределах 1,3 — 2,5 кПа (13 — 25 мбар или 132 — 255 мм. вод. ст.). Если при измерении величина динамического давления выходит за указанные пределы, то необходимо обратиться в газовую службу.
Для того, чтобы изменить минимальное давление газа на выходе клапана, перед горелкой, вращают против часовой стрелки регулировочный винт.
Для изменения максимального давления вращают против часовой стрелки регулировочную гайку.
История ткани
Типы приводов и критерии выбора

Автоматический клапан с электрическим приводом
По типу привода модели бывают:
- Механическими
, установка разделителя производится вручную. Чтобы контролировать показатели температуры, на каждую входящую трубу устанавливается термометр. - Автоматическими
, движение мембраны зависит от температуры и осуществляется самостоятельно.
Привод может быть:
- Термостатическим
, при котором чувствительный элемент под воздействием температуры расширяется, начинает давить на шток клапана, смешивая холодные потоки с горячими. - Электрическим
, при котором сигналы подаются с блока управления. - Головчатым
, управление краном происходит за счет нажатия головки на приводной шток, привод применим при монтаже напольной обогревательной системы.
При выборе трехходового клапана, главное – тип привода. Ручное управление приводом стоит дешевле, но и функций мало. Электрические модели дорогие, быстро ломаются, но их многофункциональность не оставляет равнодушными большинство потребителей. Бронзовый латунный материал для крана долговечный, но и дорогой.
Оптимальный вариант – чугун, медь.
При выборе учитывается:
- Расход носителя.
- Схема обвязки.
- Рабочие параметры.
Расход и температура должны быть указаны в проектной документации, при ее отсутствии, оптимальная температура нагрева воды указывается в паспорте, обычно составляет не выше 50 гр. Расход учитывается при подборе клапана по пропускной его способности.
Тип привода должен соответствовать схеме обвязки.
Более простая схема у термостатического клапана, при котором вода циркулирует через третий патрубок к первому, котел нагревает ее, только после этого начинает прогреваться теплоноситель. Нагревшись до нужной температуры, из трех возможных, кран открывает из второго патрубка потоки с холодной водой, происходит замещение, холодная вода уходит, горячая вода поступает в бак с тепловым аккумулятором.
Схема обвязки сложнее, при установленном на кране внешнем контроллере.
В данном случае, потребуются смесители двухприводные и двухконтурные. Первый контур устанавливается рядом с источником тепла и является термостатическим. Второй привод – электрический, управляется контроллером путем подачи сигналов датчика, кран поддерживает температуру теплоносителя.
Важным критерием при выборе устройства является диапазон выставленных температур
, изделия, как правило, в данном случае имеют термостатический привод в обвязках котлов ГВС, системах теплого пола. Диапазон кранов зависит от предназначения изделий, составляет 20- 43 грамм, 35-60 грамм и выше. Советуется придерживаться второго варианта при покупке.
Монтируя обвязку, стоит поинтересоваться, как проверяется кран. Если изделие новое, проверить его не трудно, устанавливается минимальная температура в диапазоне в третий патрубок, заливается горячая вода. Через 15 — 20 минут патрубок должен перекрыть кран.
Проверить устройство в уже установленной системе можно, измерив температуру воды при входе в котел, то есть на обратной стороне трубопровода значение должно быть таким же, как и на термостате.
Схема обвязки:

замена и ремонт трехходового клапана на котле navien ace atmo .
| Демонтаж, замена и ремонт трехходового клапана на котле NAVIEN ACE Atmo |
|
| ||||||||||
| Navien — трехходовой клапан |
|
| ||||||||||
| Клапан трехходовой Navien цена ремонта или замены! |
|
| ||||||||||
| Трехходовой клапан Navien ремонт |
|
| ||||||||||
| Трёхходовой клапан Navien, Celtiс — Arleria, Daewoo. Подробный обзор. |
|
| ||||||||||
| замена 3х-ходового клапана на котле Navien (Навьен) |
|
| ||||||||||
| Ремонт трехходового клапана ARDERIA и частично NAVIEN |
|
| ||||||||||
| Демонтаж, замена и ремонт трехходового клапана на котле NAVIEN ACE Turbo |
|
| ||||||||||
| 1/2 Проблема с котлом Navien Ace 24 K. Звук шум стук скрежет. Проблема решена. |
|
| ||||||||||
| Ремонт Газовый котел Navien Ace Atmo ACE — 13 |
|
| ||||||||||
| Трехходовой клапан неисправности Arderia Celtic |
|
| ||||||||||
| Navien ремонт трехходового клапана котла |
|
| ||||||||||
| Разборка котла и очистка теплообменника Navien Ace 13K |
|
| ||||||||||
| Самая частая неисправность двухконтурных газовых котлов |
|
| ||||||||||
| Газовый Двухконтурный Котел NAVIEN 24 Обзор и Отзыв! |
|
| ||||||||||
| Первый пуск котла |
|
| ||||||||||
| Трехходовой клапан. Устанавливаем правильно. |
|
| ||||||||||
| Почему не бежит горячая вода из газового, битермального котла. |
|
| ||||||||||
| Промывка теплообменника. Газовой колонки. Лимонной кислотой |
|
| ||||||||||
| Демонтаж трехходового клапана |
|
| ||||||||||
| Трехходовой клапан Navien Ace Ремонт |
|
| ||||||||||
| Демонтаж, замена и ремонт гидроузла на котле NAVIEN ACE Atmo |
|
| ||||||||||
| 8 лет спустя. Стоит ли брать? Котёл NAVIEN ACE. buderus vaillant реакция. че по чем |
|
| ||||||||||
| Демонтаж, замена и ремонт вторичного теплообменника на котле NAVIEN ACE Atmo |
|
| ||||||||||
| Демонтаж, замена и ремонт монометра на котле NAVIEN ACE Atmo» rel=»spf-prefetch |
|
| ||||||||||
| Демонтаж, замена и ремонт насоса на котле NAVIEN ACE Atmo» rel=»spf-prefetch |
|
| ||||||||||
| Клапан трехходовой газового котла NAVIEN разбираем» rel=»spf-prefetch |
Как работает трехходовой клапан в системе отопления
Принцип работы клапана заключается в смешивании потоков воды с разной температурой. Для чего это нужно делать? Если не вдаваться в технические подробности, можно ответить так: для продления срока службы отопительного котла и его более экономичной работы.
Трехходовой клапан смешивает нагретую воду с остывшей после прохождения по отопительным приборам и направляет ее снова в котел для нагрева. На вопрос, какую воду нагреть быстрее и легче – холодную или горячую – в состоянии ответить каждый.
Одновременно со смешиванием клапан потоки еще и разделяет. Возникает естественное желание автоматизировать сам процесс управления. Для этого клапан оснащается термодатчиком с терморегулятором. В этом случае лучше всего здесь справляется электрический привод. От устройства привода зависит качество функционирования всей системы отопления.
- Такой клапан устанавливается в тех местах трубопровода, где необходимо разбить циркуляционный поток на два контура:
- С постоянным гидравлическим режимом.
- С переменным.
Обычно постоянный гидравлический поток используют потребители, для которых подается качественный теплоноситель определенного объема. Регулируется он в зависимости именно от качественных показателей.
Переменный поток потребляют те объекты, для которых качественные показатели не являются главными. Им важен количественный коэффициент. То есть для них регулировка подачи производится по требуемому количеству теплоносителя.
Есть в категории запорной арматуры и двухходовые аналоги. В чем отличие этих двух видов? Трехходовой клапан работает совершенно по-другому. В его конструкции шток не может перекрыть поток с постоянным гидравлическим режимом.
Он всегда открыт и настроен на определенный объем теплоносителя. А значит, потребители будут получать необходимый объем как в количественном, так и в качественном эквиваленте.
По сути, клапан не может перекрыть подачу на контур с постоянным гидравлическим потоком. А вот переменное направление он перекрывать способен, тем самым позволяя регулировать напор и расход.
Если совместить два двухходовых клапана, то получится трехходовая конструкция. При этом оба клапана должны работать реверсивно, то есть при закрытии первого обязательно открывается второй.
Виды трехходовых клапанов по принципу работы
- По принципу действия этот вид делится на два подвида:
- Смесительные.
- Разделительные.
Уже по названию можно понять, как работает каждый тип. У смесительного один выход и два входа. То есть он выполняет функцию смешивания двух потоков, что необходимо для понижения температуры теплоносителя. Кстати, для создания нужной температуры в системах теплых полов это идеальное устройство.
Регулировать температуру выходящего потолка достаточно просто. Для этого необходимо знать температуру двух входящих потоков и точно рассчитать пропорции каждого, чтобы на выходе получить требуемый температурный режим. Кстати, этот вид устройства, если его правильно установить и отрегулировать, может работать и по принципу разделения потоков.
Трехходовой кран разделительного действия разбивает основной поток на два. Поэтому у него два выхода и один вход. Этот прибор обычно используется для разделения горячей воды в системах горячего водоснабжения. Нередко специалисты устанавливают его в обвязках воздухонагревателей.
По внешнему виду оба устройства ничем не отличаются между собой. Но если рассмотреть их чертеж в разрезе, то есть одно различие, которое сразу же бросается в глаза. В смесительном приборе установлен шток с одним шаровым клапаном.
Он располагается в центре и перекрывает седло главного прохода. В разделительном таких клапанов два на одном штоке, и они устанавливаются в выходных патрубках. Принцип их действия таков — первый закрывает один проход, прижимаясь к седлу, а второй в это время открывается другой проход.
- Современный трехходовой кран делится на два типа по способу управления:
- Ручной.
- Электрический.
Чаще приходится сталкиваться с ручным вариантом, который похож на обычный шаровой кран, только с тремя патрубками — выходами. Электрические автоматические системы чаще всего используются для распределения тепла в частном домостроении.
Как и любое устройство, трехходовой кран определяется по диаметру подводящей трубы и давлению теплоносителя. Отсюда и ГОСТ, который позволяет провести сертификацию. Несоблюдение ГОСТа является грубым нарушением, особенно, когда дело касается давления внутри трубопровода.
Сферы применения
Трехходовой клапан, принцип работы которого был рассмотрен выше, обладает достаточно широкой сферой применения. Так, такие его разновидности, как электромагнитное устройство или же прибор с термоголовкой, часто встречаются в современных магистралях, где требуется корректировка пропорций при смешивании двух разделенных потоков жидкости, но без снижения мощности или объема.
Что же касается использования в быту, то самым популярным здесь считается термостатический смесительный прибор, с помощью которого, как уже отмечалось выше, можно регулировать температуру рабочей жидкости. Эта жидкость может подаваться как в трубопровод «теплого пола», так и в отопительные радиаторы. А если клапан еще и имеет автоматическое управление, то контролировать температуру в жилище можно будет без каких-либо проблем!
Обратите внимание! Применение трехходового клапана в отопительной системе в целях уравновешивания перепадов температуры крайне выгодно не только в плане комфорта и удобства, но и в плане экономии средств. Дело в том, что путем регулирования температуры жидкости на «обратке» отопительного прибора можно значительно снизить объемы потребляемого топлива, да и на эффективности самой системы это отразится позитивно. В некоторых системах клапан попросту необходим
Например, в системе «теплого пола» данное устройство предотвращает перегрев напольного покрытия выше заданного уровня комфортности, тем самым избавляя пользователей от неприятных ощущений
В некоторых системах клапан попросту необходим. Например, в системе «теплого пола» данное устройство предотвращает перегрев напольного покрытия выше заданного уровня комфортности, тем самым избавляя пользователей от неприятных ощущений
Дело в том, что путем регулирования температуры жидкости на «обратке» отопительного прибора можно значительно снизить объемы потребляемого топлива, да и на эффективности самой системы это отразится позитивно. В некоторых системах клапан попросту необходим. Например, в системе «теплого пола» данное устройство предотвращает перегрев напольного покрытия выше заданного уровня комфортности, тем самым избавляя пользователей от неприятных ощущений.
Подобного рода регулирующие устройства также используются в системах водоподачи в целях получения перманентного потока с требуемой температурой. Простейшим примером является обыкновенный смеситель, при котором можно сделать воду горячее/прохладнее открытием/закрытием холодного крана.
Предохранительный клапан для бойлера
Ранее мы описывали как выбрать и подключить предохранительный клапан для бойлера, рассказывали о сферах его применения и внутреннем устройстве. В дополнение к этой статье рекомендуем ознакомится:
































Нажми для просмотра
Нажми для просмотра
Нажми для просмотра
Нажми для просмотра
Нажми для просмотра
Нажми для просмотра
Нажми для просмотра
Нажми для просмотра
Нажми для просмотра
Нажми для просмотра
Нажми для просмотра
Нажми для просмотра
Нажми для просмотра
Нажми для просмотра
Нажми для просмотра
Нажми для просмотра
Нажми для просмотра
Нажми для просмотра
Нажми для просмотра
Нажми для просмотра
Нажми для просмотра
Нажми для просмотра
Нажми для просмотра
Нажми для просмотра
Нажми для просмотра
Нажми для просмотра
























